Blackout großer Netzgebiete

In den nachfolgenden Bildern ist eine schematische Darstellung eines Blackouts durch ein Ausfall eines Kraftwerks dargestellt.

Normalerweise sind diese durch die sehr enge Vermaschung von Netzgebieten und der n-1-Regel (der Ausfall eines Systems wird durch ein anderes System abgefangen) im UCTE-Netz sehr selten. Allerdings werden Stromnetze durch Marktaufsplittung und mangelnder Investitionen nach Deregulierungen des Strommarktes anfällig.

Vergleichbare Stromausfälle: 

  • 14. August 2003: flächendeckender Stromausfall im Nordosten der USA sowie in Teilen Kanadas
  • 31. März 2015: durch starke Netzfrequenzschwankungen und Ausfälle von Kraftwerken => Netztrennung UCTE-Netz und der Türkei (dadurch Stromausfälle in der Türkei)

Wir unterstellen den nachfolgenden beispielhaften Netzgebiet deshalb die Nichteinhaltung der n-1-Regel z.B. durch den Ausfall eines anderen Kraftwerks oder Übertragungsleitung.

 

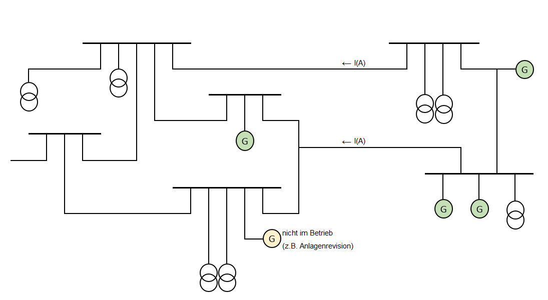
Phase 1:

Das erste schematische Bild zeigt ein vermaschtes Netz. In diesem Szenario ist ein Kraftwerk durch Revisionsarbeiten ausgeschaltet. Außerdem ist eine (in der Grafik nicht sichtbare) Übertragungsleitung ausgefallen.

Phase 2:

Ein anderes Kraftwerk verändert durch eine Störung die Lastflüsse soweit, dass zwei Übertragunsleitungen soweit überlastet werden, dass es zur Überschreitung von Anregegrenzen der Schutzsysteme kommt (Schutzanregung). Bis zu einer Schutzabschaltung vergehen nur noch wenige Minuten bis Sekunden! Werden in dieser Zeit keine Maßnahmen durchgeführt (z.B. Lastabwurf oder Erhöhung der Einspeiseleistung im betroffenen Netzgebiet), kommt es unweigerlich zur Phase 3...

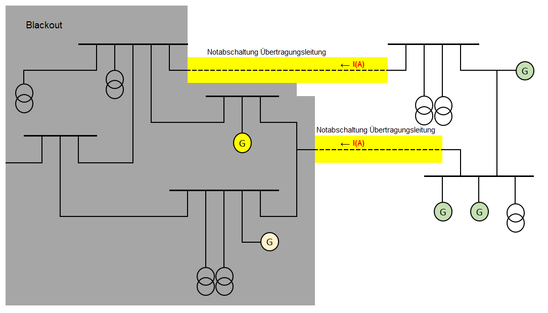
Phase 3:

Durch die Schutzabschaltung (Notabschaltungen durch Überlast) werden weitläufige Netzgebiete durch die Versorgungsunterbrechung nicht mehr versorgt.

In einzelnen Gebieten können Kraftwerke möglicherweise noch Netzgebiete in einem Microgrid oder Inselnetz versorgen (Microgrid = Inselnetz = kleine funktionierende Versorgungsgebiete ohne Verbundnetzanschluss)

...zurück...         ...weiter...