(fast-)Blackout, Abschaltungen durch Unterfrequenz

Nachfolgend ein Ablauf einer mögliche Störung mit einer Verbundnetztrennung / Aufsplittung in mehrere Teilnetze.

Vergleichbare Netzstörung: 

  • 4. November 2006: europaweite Netzstörung (UCTE-Netz) mit Netztrennung und Lastabwürfen 

 

Die Pfeile in den Bildern ( → ) zeigen die beispielhafte, schematische Lastflussrichtungen an, die sich je nach Schaltungszustand des Netzes deutlich ändern kann.

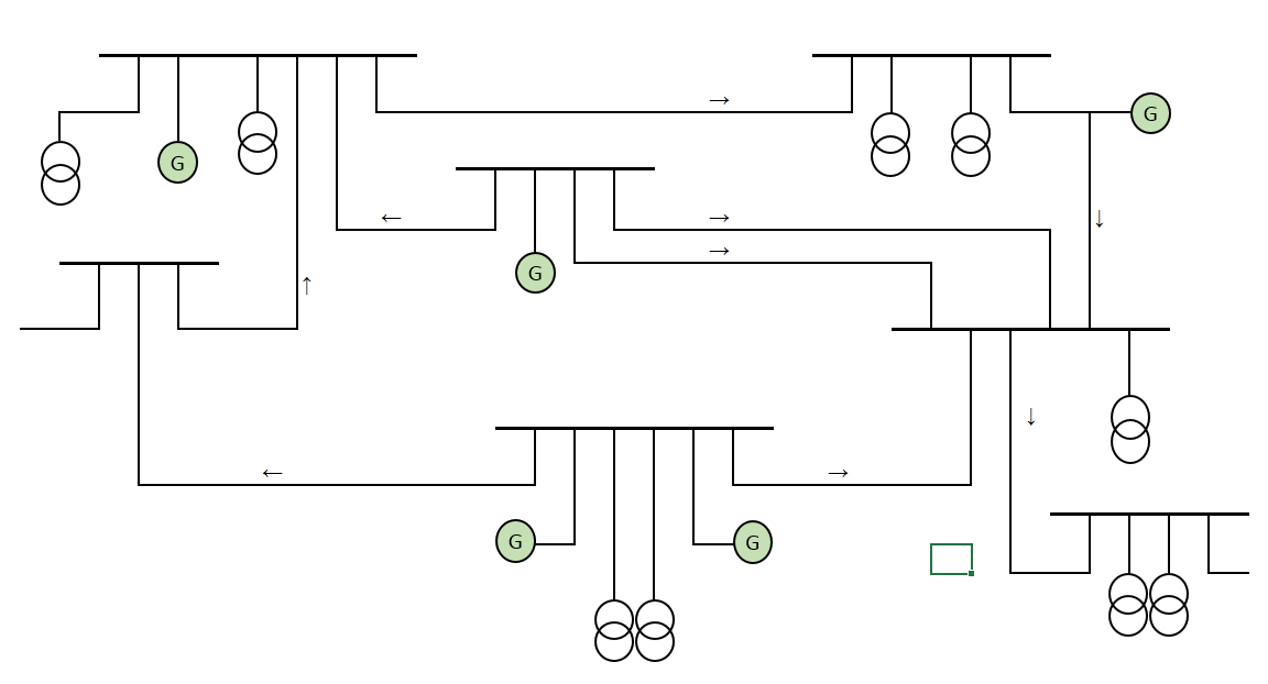
normale Netzsituation im ausgeglichenen Stromnetz

Phase 1:

Durch Netzstörungen oder auch geplante Abschaltungen von Übertragungsleitungen kommt es deutlichen zu Lastflussänderungen und teilweise auch zu Leitungsüberlastungen.

Phase 2:

Die ersten Notabschaltungen durch Überlastung führen zu extremen Änderungen der Lastflüsse, die nicht mehr vorhersehbar sind.

Weitere Überlastungen führen zur komplexen Lastbeinflussungen und nicht mehr vorhersehbaren Lastflüsse des Gesamtnetzes.

In diesen Netzzustand sind auch deutliche Netzfrequenzpendelungen möglich.

Phase 3:

weitere Übertragungsleitungen sind überlastet oder bereits durch die Überlastung angeschaltet.

Das Stromnetz steht kurz vor einem Blackout. Durch die Netztrennungen können sich die Teilnetze (durch Einspeise- oder Lastanpassungen) wieder stabilisieren

Phase 4:

Das Stromnetz ist durch die Abschaltung von vielen überlasteten Übertragungsleitungen in 3 Teilnetze "aufgerissen".

In den 3 Teilnetzen sind nun unterschiedliche Netzfrequenzen vorhanden. Die Teilnetze sind nicht mehr synchron. Eine unkontrollierte Zusammen würde zu einer kurzschlussähnlichen Störung führen.

Eine Netzzusammenführung ist nur noch über einen Synchronvergleich möglich. Dabei werden große Stromnetzteile mit unterschiedlicher Netzfrequenz über eine spezielle  Synchronisierungsfreigabe (an den Leistungsschaltern in den Umspannwerken) wieder zusammengeschaltet. 

Bespiel Netzstörung

das nachfolgende Bild zeigt die Netzauftrennung der UCTE-Stromstörung vom 4. November 2006

Auslöser der europaweiten Netzstörung war die planmäßige zeitweilige Abschaltung zweier 380kV-Hochspannungsleitungen am Abend des 4. November 2006. Diese Abschaltung geschah für die Ausschiffung der Norwegian Pearl, eines auf der Meyer Werft in Papenburg gebauten Kreuzfahrtschiffes.

Der ursprüngliche Zeitplan der Leitungsabschaltung sah eine erhebliche Reduzierung der Transportleistung vor. Aufgrund von rechtlichen Vereinbarungen konnte diese Reduzierung nicht mehr dem aktualisierten Zeitplan angepasst werden.
Zudem wurde die Abschaltung der Leitung vorgezogen, ohne die anderen beteiligten Übertragungsnetzbetreiber Vattenfall (heute 50Hertz Transmission) und RWE (heute Amprion) rechtzeitig zu informieren, so dass diese keine Chancen mehr hatten, ihre Stromerzeugungs- und Netzkapazitäten zum neuen Zeitpunkt an die veränderten Bedingungen anzupassen. Dies führte am 4. November gegen 22:10 zu unkotrollierter Überlastungen mit Netzschutzauslösungen.

Die Last verteilte sich unkontrolliert auf andere Leitungen im Umfeld, was in der Folge zu weiteren automatischen Abschaltungen wegen Überlastung und fehlender Synchronität führte. Das UCTE-Stromnetz "zerriss" dabei in 3 Teile.

 

Netzgebiet 1: Überfrequenz   f >

Netzgebiet 2: Unterfrequenz  f <

Netzgebiet 3: Unterfrequenz  f <

Alle 3 Netzgebiete waren nach dem Ereignis nicht Phasensynchron.

In den Netzgebieten mit Unterfrequenz kam es zu Lastabwürfen und automatischer Zuschaltung von Ladestromspulen zur Netzstabilisierung.

Beeinflussung durch Fahrplanwechsel

Eine deutliche Beeinflussung der angespannten Situation am 4. November 2006 waren die geplanten Laständerungen (Fahrpläne) von Kraftwerken gegen 22:00 Uhr, die die gesamte Netzsituation zusätzlich veränderten. So entstand wenige Minuten später die Situation, das das UCTE-Netz (wie in Phase 3 gezeigt) unkontrolliert überlastet wurde.

Der gesamte, detaillierte Ablauf der Störung finden Sie hier

*) Infos zu Links siehe hier...


Das Bild zeigt die Frequenz des Stromnetzes am 04.11.2006 zwischen 22:08 und 22:30 MEZ gemessen im Ruhrgebiet. Die Kurve zeigt den Verlauf der Frequenz in dem Bereich Netzgebiet 2 (der oberen Grafik)

...zurück...         ...weiter...